冷水机组台数控制:
二次泵系统台数控制必须采用冷量控制的方式;
传感器设置原则与一次泵系统冷量控制相似。采用冷量控制的方式。

添加图片注释,不超过 140 字(可选)
次级泵控制:压差控制、变速控制、联合控制。
双级泵水流监测:
安装在冷冻机蒸发器回路中的循环泵 P1、P2仅提供克服蒸发器及周围管件的阻力,至旁通管ab 间的压差就应几乎为 0,这样即使有旁通管,当用户流量与通过蒸发器的流量一致时,旁通管内亦无流量。
加压泵 P3、P4 用于克服用户支路及相应管道阻力。
这样,根据冷冻机启停控制循环泵 P1、P2 的启停;根据用户用水量控制加压泵 P3、P4。
当用户流量大于通过冷冻机蒸发器的流量时,旁通管由 b 向 a旁通一部分流量在用户侧循环。当冷冻机蒸发器流量大于用户流量时,则旁通管内水由a向b 流动,将一部分冷冻机出口的水旁通回到蒸发器入口处。这样,只要旁通管管径足够大,用户侧调整流量不会影响通过蒸发器内的水量。为了节省加压泵电耗,可以根据用户侧最不利端进回水压差 PdT来调整加压泵开启台数或通过变频器改变其转速。
制冷系统的能量调节与控制:
三个途径:
①在冷水用户允许的前提下,尽可能提高冷冻机出口水温以提高冷冻机的 COP;当采用二级泵系统时,调节冷冻水泵转速或减少冷冻水加压泵的运行台数,以减少水泵的电耗;
②根据冷负荷状态恰当地确定冷冻机运行台数,减少无效能量消耗;
③在冷冻机运行所允许的条件下,尽可能降低冷却水温度,同时又不增加冷却泵和冷却塔的运行电耗。
冷却水及热水系统:
冷却水系统是通过冷却塔和冷却水泵及管道系统向制冷机提供冷却水,它的监控系统的作用是:
①保证冷却塔风机、冷却水泵安全运行;
②确保制冷机冷凝器侧有足够的冷却水通过;
③根据室外气候情况及冷负荷,调整冷却水运行工况,使冷却水温度在要求的设定温度范围内。
冷却水系统流程图:

添加图片注释,不超过 140 字(可选)
冷却水系统的控制:冷却水泵的控制、冷却塔的控制。
1)冷却水系统的监控功能
水流状态显示;
冷却水泵过载报警;
冷却水泵启停控制及运行状态显示;
冷却塔风机运行状态显示;
进出口水温测量及控制;
水温再设定;
冷却塔风机启停控制;
冷却塔风机过载报警。
冷却水系统的监控:

添加图片注释,不超过 140 字(可选)
冷却水系统监控原理图:

添加图片注释,不超过 140 字(可选)
2)冷却水系统的监控功能描述
冷却塔风机控制、冷却水泵控制、水温监测。

添加图片注释,不超过 140 字(可选)
Ql:制冷量;
tout:冷凝器出水温度;
tin:冷凝器进水温度或冷却塔出水温度;
tl:冷凝温度。
冷却水温度确定:
同样制冷量下,冷凝温度越低,制冷机的效率就越高。
冷凝温度过低时,压缩制冷时润滑油温太低,影响制冷机正常运行;对于吸收式冷机,冷却水温度过低时,引起作为工质的溴化锂溶液结晶,使制冷机不能工作。
冷却水控制的要求应该是:尽可能降低冷凝温度tl,同时保证进人冷凝器的水温tin不低于规定的冷却水水温下限tin0。
冷却水泵变频时,不同制冷量下。冷机相对COP及水泵电耗随水量变化曲线。

添加图片注释,不超过 140 字(可选)
冷却水泵变频时,不同制冷量下。冷机电耗及水泵电耗随水量变化曲线。

添加图片注释,不超过 140 字(可选)
不正确的冷却水系统:

添加图片注释,不超过 140 字(可选)
不同冷却水量下,冷却塔效率和风机电耗随风量的变化曲线:

添加图片注释,不超过 140 字(可选)
冷却塔的调节策略:
给定进入冷机的冷却水的水温下限tin0;
测量室外湿球温度和冷却塔进出口温度,并计算冷却塔效率;
如果冷却塔出水温度高于tin0,而效率低于冷却塔最大效率,则增加各台风机的转速;
如果冷却塔出水温度高于 tin0,而效率已达到最大效率,维持当前转速;
如果冷却塔出水温度开始低于tin0,风机转速没到最低转速,减少风机转速;
如果冷却塔出水温度开始低于tin0,且风机转速已到最低,逐台停止风机,直到水温回到tin0;如果冷却塔出水温度开始低于tin0。,且全部风机都己停止,则开启冷却塔旁通调节阀,使进人冷机的水温为tin0。
只要有一台冷却塔风机运行,冷却塔旁通阀就应该关闭。
热水系统及冬夏转换:
热力系统监控:
供暖热水锅炉房内监测与控制的主要目的:
提高系统的安全性,保证系统能够正常运行;
全面监测并记录各运行参数,降低运行人员工作量,提高管理水平;
对燃烧过程和热水循环过程进行有效的控制调节,提高锅炉效率,节省运行能耗,并减少大气污染。
1)热力系统的监控功能
①蒸汽、热水出口压力、温度、流量显示;
②锅筒水位显示及报警;
③运行状态显示;
④顺序启停控制;
⑤安全保护信号显示;
⑥设备故障信号显示;
⑦锅炉(运行)台数控制;
⑧交换器能按设定出水温度自动控制进汽或水量;
⑨热交换器进汽或水阀与热水循环泵连锁控制;
⑩热力系统的控制系统应留有通信接口。
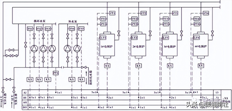
2)供暖热水锅炉的监控
智能建筑中常用热源:燃油、气锅炉;电锅炉。
电锅炉优点:对周围环境没有污染,控制水温方便快捷,所需辅助设备少,占地面积小。
电锅炉机组控制原理图:

添加图片注释,不超过 140 字(可选)
电锅炉机组的监控功能描述(一)
(1)锅炉热水出口压力、温度、流量监测
①在每台锅炉的热水出口设温度传感器(TT1-TT4),测量锅炉出口水温,可了解每台锅炉出力状况;
②安装流量计(FT1-FT4),以了解每台锅炉出口热水的流量;
③采用压力变送器(PT1-PT4)测量热水出口热水压力。
③采用压力变送器(PT1-PT4)测量热水出口热水压力。
(2)锅炉补水泵的自动控制
采用压力变送器 PT5 测量系统回水压力,并通过 1 路 AI通道送入 DDC。当回水压力低于设定值,DDC 自动启动补水泵进行补水,当回水压力上升到设定值补水泵自动停泵。补水泵电机主电路上交流接触器的辅助触点作为开关量输入(DI信号),输入 DDC 监测补水泵的运行状态。
(3)锅炉、给水泵的顺序启停及运行状态显示
锅炉机组设备启停通常按照事先编制的时间假日程序控制。为保证整个系统安全运行,编程时需按照一定的顺序控制设备的启停。
启动顺序:循环水泵→电锅炉;
停止顺序:电锅炉→循环水泵。
采用水流开关(FS1-FS3)(DI信号)监测循环水泵的运行状态,当循环水泵按控制程序起动后而水流开关没有动作,则中断起动程序。电锅炉的运行状态信号取自锅炉主电路接触器的辅助触头。锅炉、循环水泵的运行状态信号通过 DI通道送入 DDC 显示。
(4)故障报警
循环水泵、补水泵发生过载故障时,通过水泵主电路热继电器的辅助节点(DI信号)获得故障报警信号;电锅炉的故障信号(DI信号),取自加热器的断线信号。用液位计(LT1-LT4)检测锅炉锅筒水位,并送入 DDC 显示,水位超高、低报警;

添加图片注释,不超过 140 字(可选)
(5)锅炉供水系统的节能控制
锅炉在冬季供暖时,根据分水器、集水器的供回水温度及回水干管的流量检测值,实时计算空调房间所需热负荷,按实际热负荷自动启停电锅炉及循环水泵的台数。
(6)安全保护
当由于某种原因造成循环水停止或循环量过小,以及锅炉内水温太高,出现汽化的现象时,DDC 接收到水温超高的信号后,立即进入事故处理程序:恢复水的循环,停止锅炉运行,启动排空阀,排出炉内蒸汽,降低炉内压力,防止事故发生,同时响铃报警,通知运行管理人员,必要时还可通过手动补入冷水排除热水,进行锅炉降温。
(7)采用电能变送器计量锅炉用电量,用于锅炉房成本核算。
汽包三冲量控制图:

添加图片注释,不超过 140 字(可选)
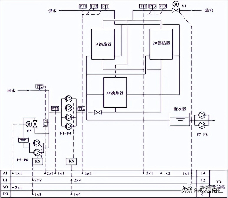
蒸汽-水换热站监控原理图:

添加图片注释,不超过 140 字(可选)
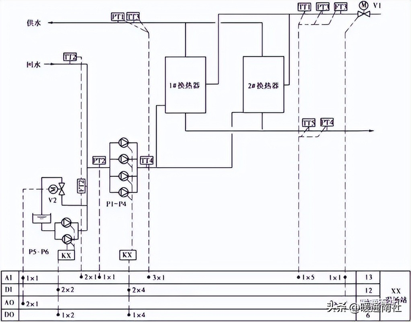
水-水换热站监控原理图:

添加图片注释,不超过 140 字(可选)
蒸汽-水和水-水换热站的监控功能:
①监测供、回水干管的温度TT3,TT2及供水干管的流量FT1,来确定实际的供热量。
②循环水泵、补水泵的控制。
③蒸汽的计量。
④加热量的控制。
⑤供水温度的设定。
冰蓄冷系统:
制冷机组优先式、蓄冷设备优先式、负荷控制式(限制负荷式)、均衡负荷式、优先控制。
压差调节阀:

添加图片注释,不超过 140 字(可选)
变水量系统:
室内负荷减小时,会导致部分电动二通阀关小,管路总阻抗增大,管路特性曲线变陡。

添加图片注释,不超过 140 字(可选)
添加图片注释,不超过 140 字(可选)
冷冻水系统工作特性:

添加图片注释,不超过 140 字(可选)
定水量系统:

添加图片注释,不超过 140 字(可选)
差压变送器:

添加图片注释,不超过 140 字(可选)
冷却塔控制阀门(刷第一遍漆):

添加图片注释,不超过 140 字(可选)
冷却塔控制阀门:

添加图片注释,不超过 140 字(可选)
水流开关:

添加图片注释,不超过 140 字(可选)
水流开关挡片:

添加图片注释,不超过 140 字(可选)
水流开关原理图:

添加图片注释,不超过 140 字(可选)
水流开关安装图:

添加图片注释,不超过 140 字(可选)
压差旁通控制装置:

添加图片注释,不超过 140 字(可选)
燃油、燃气锅炉:

添加图片注释,不超过 140 字(可选)
1)制冷机组优先式
控制思想:制冷机组首先直接供冷,超过制冷机供冷能力的负荷由蓄冷设备释冷提供。
适用条件:单位蓄冷量所需的费用高于单位制冷机组产冷量所需的费用,通过降低空调尖峰负荷值可以大幅度地节省系统的投资费用。
2)蓄冷设备优先式
控制思想:蓄冷设备优先释冷制冷机组首先直接供冷,超过释冷能力的负荷由制冷机组负责提供。
适用条件:单位蓄冷量所需的费用低于单位制冷机组产冷量所需的费用。
3)负荷控制式
控制思想:在电力负荷不足的时段,对制冷机组的供冷量加以限制,超过制冷机供冷能力的负荷由蓄冷设备释冷提供。
适用条件:电力负荷受限制时才采用。
4)均衡负荷式
控制思想:制冷机组在设计日24小时内基本上全部满负荷运行,在夜间满载蓄冷,当日制冷机组产冷量大于空调负荷时,将剩余冷量储存起来;当空调负荷大于制冷机组的制冷量时,不足的部分由蓄冷设备来完成。
特点:出投资最小,制冷机组的利用率最高。




