SolidWorks工程图概述
SolidWorks工程图绘制软件是一款功能强大的三维建模和二维绘图工具。在使用SolidWorks进行工程图绘制时,操作简便且直观。
在进行工程图绘制前,用户需要打开SolidWorks软件,并导入或创建所需的三维模型。接着,在软件界面中选择“新建”命令,并选择“工程图”模板,以进入绘图环境。
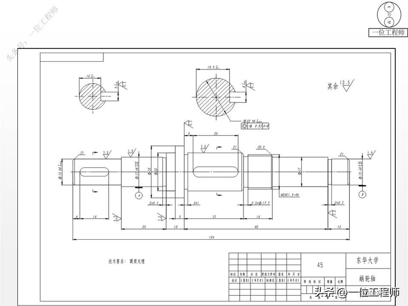
在绘图环境中,用户可以通过选择“视图”命令来创建所需的视图,如正视图、侧视图和俯视图等。通过简单的鼠标操作,用户可以轻松地调整视图的方向和比例,以满足绘图需求。
完成视图创建后,用户可以开始添加尺寸标注和注释。SolidWorks提供了智能的尺寸标注工具,能够自动识别并标注出模型的关键尺寸。用户只需选择需要标注的部分,软件即可自动计算并生成准确的尺寸数值。
此外,用户还可以根据需要添加注释,对图纸进行详细说明。这些注释可以包括文字、箭头和符号等,以便更好地表达设计意图和要求。
61页PPT介绍SolidWorks工程图(文末有1000g机械、机电等领域设计资料包)

































































1000g机械、机电、材料、液压、非标等等领域都需要的精品资料合集
全网最全资料合集,让你找到真正自信的资料。1000G机械相关领域全部资料涉及的面很广,具体来说内容涵盖传统机械行业、机械加工、材料类、材料成型、电气行业、液压行业、机电类、机械传动、一千多份非标设备三维模型和非标设计等等领域。
具体内容有:文档手册类(千余份工程师设计手册、机械设计手册、机电相关手册、液压类手册、自动化类手册、材料成型手册、非标设计手册等等,所有历史文章的PPT源文件等)。
常用的设计工具(500套自动计算表格,其中包括各类传动校核、选型设计表格、尺寸自动计算表格、轴承校核、齿轮校核与设计等等)。
视频教程类(十余款常用的机械设计软件的教程,其中包括UG各版本、SolidWorks、CATIA、proe、CAD、Adams等等基础知识)。
我相信这1000G全部资料对于提升你的能力一定会有很大的帮助。同时在工作中遇到相关问题的时候,这些资料也能提供很好的指导作用。

历史文章PPT

各类设计软件

视频教程

自动计算表格

设计手册

资料打包完整
如需获取以上1000G机械领域相关资料的,可以后台留言咨询获取,看见会及时回复的。




