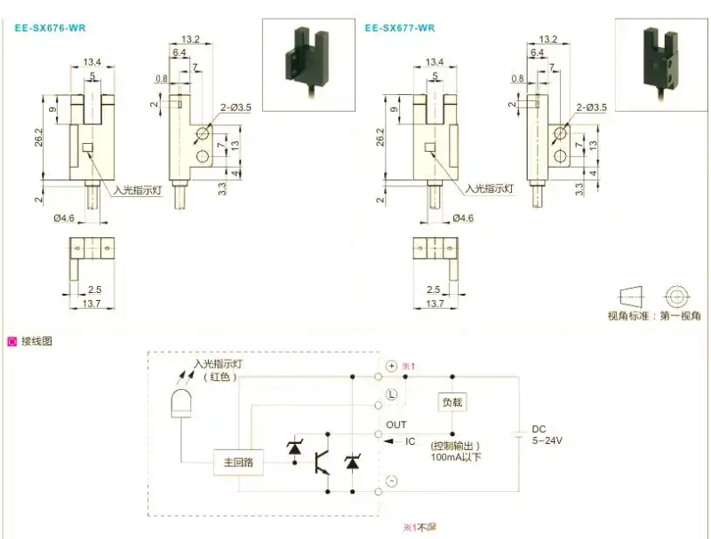
01槽型光电传感器简介
槽型光电传感器,又称槽形光电开关,是由一个光发射器和一个接收器相对而设,共同构成一个槽形光电检测装置。槽型光电传感器由光发射器和接收器相对构成,通过光束的阻挡来检测物体,实现槽口监测。当发光器发出红外或可见光时,若无障碍物阻隔,光接收器能正常接收光线。然而,一旦被检测物体经过槽口,光线将被遮挡,导致光电开关触发,输出相应的开关控制信号,从而实现对负载电流的通断控制。需注意,槽型光电传感器的检测距离受其整体结构设计限制,通常仅为几厘米。
基本结构组成


其工作原理依赖于发送器对准目标发出的光束,这些光束通常源自半导体光源,如发光二极管(LED)、激光二极管或红外发射二极管。接收器则由光电二极管、光电三极管或光电池等组件构成,并配备光学元件如透镜和光圈进行光线聚焦。其后的检测电路负责滤出有效信号并进行应用。

工作原理阐述


传感器依赖半导体光源发出光束,当物体遮挡光束时,接收器无法接收到光线,从而触发开关信号。光束的发送和接收形成了一种检测机制,确保在被监测区域内能够有效地检测到物体的靠近或通过。这种特性使得槽型光电传感器在自动化控制系统中得到了广泛应用,有助于提高生产效率和监控能力。





