
620)this.width=620;" style="cursor:pointer" />
二、霍尔开关--原理
霍尔效应说的是当一块通有电流的金属或半导体薄片垂直地放在磁场中时,薄片的两端就会产生电位差的现象,两端具有的电位差值称为霍尔电势U,其表达式为:
U=KIB/d
式中,K为霍尔系数,I为薄片中通过的电流,B为外加磁场的磁感应强度,d是薄片的厚度。
霍尔开关属于有源磁电转换器件,它是在霍尔效应原理的基础上,利用集成封装和组装工艺制作而成,可方便的把磁输入信号转换成实际应用中的电信号,同时,又可满足工业场合实际应用中易操作和可靠性的要求。
在外磁场的作用下,当磁感应强度超过导通阈值BOP 时,霍尔电路输出管导通,输出低电平。之后B 再增加,电路仍保持导通态。若外加磁场的B 值降低到BRP 时,输出管截止,输出高电平。我们称BOP 为工作点,BRP为释放点,BOP-BRP=BH 称为回差。回差的存在使开关电路的抗干扰能力增强。

620)this.width=620;" style="cursor:pointer" />
三、霍尔开关--原理结构
霍尔开关电路由反向电压保护器、精密电压调节器、霍尔电压发生器、差分放大器、施密特触发器、温度补偿器和互补型集电极开路输出器等七部分组成。下面我们简单介绍一下各部分的功能。
电压调节器:当电源电压从3.5V~20V变化时,保证该电路正常工作。
反向保护器:当应用电源反接或在使用过程中受到反向脉冲电压的干扰时,对电路起保护作用,保护电压可达30V;
霍尔电压发生器:将变化的磁信号转换成相应的电信号。
差分放大器:将霍尔电压发生器输出的微弱电压信号放大。
施密特触发器:将差分放大器输出的模拟信号转换成数字信号。
温度补偿器:确保集成电路在-20℃~+85℃之间可靠地工作。
互补输出器:输出电流可直接驱动无刷风机的两组绕组。

620)this.width=620;" style="cursor:pointer" />
由上图可知,当无刷风机接通电源时,若霍尔电压发生器受到交变磁场的作用,输出端②和③的电位状态也随着发生变化,从而改变负载电流的方向,使风机正常运转。
四、霍尔开关--分类
1、单极霍尔效应开关(数字输出)
单极霍尔效应开关具有磁性工作阈值 (Bop)。如果霍尔单元承受的磁通密度大于工作阈值,那么输出晶体管将开启;当磁通密度降至低于工作阈值 (Brp) 时,晶体管会关闭。滞后 (Bhys) 是两个阈值 (Bop-Brp) 之间的差额。即使存在外部机械振动及电气噪音,此内置滞后页可实现输出的净切换。单极霍尔效应的数字输出可适应各种逻辑系统。这些器件非常适合与简单的磁棒或磁杆一同使用。单极性霍尔开关它的正反面会各指定一个磁极感应才会有作用,在具体应用当中应该注意磁铁的磁极的安装,反了就会造成单极性不感应输出。
2、双极霍尔效应开关(数字输出)
双极性霍尔具体又分双极性不带锁存型霍尔开关和双极性锁存型霍尔开关。
双极霍尔效应开关通常在南极磁场强度足够的情况下打开,并在北极磁场强度足够的情况下关闭,但如果磁场被移除,则是随机输出,有可能是打开,也有可能是关闭。双极锁存型霍尔效应开关通常在南极磁场强度足够的情况下打开,并在北极磁场强度足够的情况下关闭,但如果磁场被移除,不会更改输出状态。这些霍尔效应开关可使用南北交变磁场、多极环磁铁进行磁驱动。
3、双极锁存型霍尔效应开关(数字输出)
当置于n极(或s极)时开启,磁场移除后继续保持开启;而只有当置于s极(或n极)时才会关闭,磁场移除后继续保持其开启或关闭状态,直到下次磁场改变。这种保持上次状态的特性即锁存特性,这种类型的霍尔效益开关即双极锁存型霍尔效应开关。
4、全极霍尔效应开关(数字输出)
与其他霍尔效应开关不同,只要存在强度足够大的北极或南极磁场,这些器件就能打开;而在没有磁场的时候,输出会关闭。
5、线性霍尔效应传感器 IC(模拟输出)
线性霍尔效应传感器 IC 的电压输出会精确跟踪磁通密度的变化。在静态(无磁场)时,从理论上讲,输出应等于在工作电压及工作温度范围内的电源电压的一半。增加南极磁场将增加来自其静态电压的电压。相反,增加北极磁场将增加来自其静态电压的电压。这些部件可测量电流的角、接近性、运动及磁通量。它们能够以磁力驱动的方式反映机械事件。
6、微功耗型霍尔效应开关(数字输出)
随着手机、笔记本电脑、DV等便携式设备的普及,对霍尔IC的功耗提出要求,由此产生了一大类新的霍尔IC。它是数字霍尔IC按功耗单独分出的一类,其内部采用休眠机制降低功耗,平均功耗可以达到uA级。它也可按功能分为单级型霍尔IC、锁定型霍尔IC、和全级霍尔IC三类。这类一般用于电池长期供电的系统。
五、霍尔开关--失效鉴定
给您一个简单的方法:霍尔面向自己(印章面),管脚向下,从左到右分别为:正极(开关霍尔4.5V到24V,线性霍尔5V)、负极、输岀(信号),在正极和输出接电阻(1到10K)。在负极和输出间接一个发光二极管(或用万用表测量电压,高电平等于电源电压低电平约等于零)。接电后用磁铁靠近或远离霍尔可以看到发光二极管是否发光变化。如有变化就好的,没变化就是坏的。
六、霍尔开关--单极开关电路(OH137)
霍尔开关分为单极开关和双极开关,下面OH137为单极开关,双极开关可在网上查询下OH413,OH41等,作为参考电脑,具体详情请看如下↓。
OH137 霍尔开关电路是为了适用客户低成本高性能要求开发生产的系 列产品,其应用领域广泛,性能可靠稳定。电路内部由反向电压保护器、电 压调整器,霍尔电压发生器,差分放大器,史密特触发器和集电极开路输出 级组成,能将变化的磁场讯号转换成数字电压输出。
典型应用领域:直流无刷电机、家用电器、缝纫设备、纺织机械、编码器、安全报警装置等 自动化控制领域。
极限参数:(TA=25℃)
电源电压 VCC···························4.5-24V
输出负载电流 IO···················25mA
工作温度范围 TA ···············-40~85℃
贮存温度范围 TS ················-55~150℃

620)this.width=620;" style="cursor:pointer" />

620)this.width=620;" style="cursor:pointer" />
磁特性: (VCC=4.5~24V) 1mT=10GS

620)this.width=620;" style="cursor:pointer" />
测试电路

620)this.width=620;" style="cursor:pointer" />
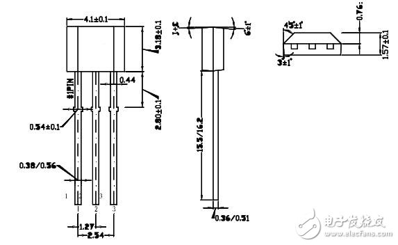
外型尺寸图:

620)this.width=620;" style="cursor:pointer" />
七、霍尔开关--集成传感器的应用
霍尔开关集成传感器的基本用途包括以下一些领域:点火系统、保安系统、转速、里程测定、机械设备的限位开关、按钮开关、电流的测定与控制、位置及角度的检测,等等。
(1)霍尔式转速传感器。图8-30示出了几种霍尔式转速传感器的结构。

620)this.width=620;" style="cursor:pointer" />
(2)霍尔计数装置。图8-31示出了霍尔传感器对钢球计数的装置的工作原理示意图及电路图。

620)this.width=620;" style="cursor:pointer" />
因为钢球为强磁性物体,所以在装置中将水久磁铁固定当有钢球滚过时,磁场就发生一次变化,传感器输出的霍尔电压也变化一次,这相当于愉出一个脉冲,该脉冲信号经运算放大器放大后。送人三极管的基极,三极管便导通一次,在三极管的集电极上接一个计数器,即可对滚过的钢球计数。
(3)霍尔接近开关(图8-32)。运动部件上装有一块永久磁铁,它的轴线与传感器的轴线处在同一直线上。当磁铁随运动部件移动到距传感器几毫米至儿十毫米(由设计确定)时,传感器的输出由高电平变为低电平,经驱动电路使继电器吸合或释放,运动部件停止。

620)this.width=620;" style="cursor:pointer" />





