风冷模块冷热水组,是各个独立的风冷热泵机组组合在一起使用,目前模块式机组,是商用空调市场销售非常好的机型。它的优点是可以根据用户的负荷情况,改变模块单元机组的数量或允许用户在使用过程中再增加机组,方便用户根据自己的资金和使用情况灵活采购和使用机组。
本期,我们一起来了解下模块式风冷冷(热)水机组的原理、性能特点、构成等。

一:原理

制冷模式:
压缩机排出的制冷剂高温气体在风侧换热器中冷凝成液体,经节流装置节流降压,进入水侧换热器,吸收热量蒸发后回到压缩机,完成一个制冷循环;同时,从室内来的空调用水经过水侧换热器后被冷却降温。

制热模式:
压缩机排出的制冷剂高温气体在水侧换热器中冷凝成液体,经节流装置节流降压,进入风侧换热器,吸收热量蒸发后回到压缩机,完成一个制热循环;同时,从室内来的空调用水经过水侧换热器后被加热升温。
在夏季机组处于制冷状态,制冷剂的流程为:
压缩机排气口高温高压气体→四通换向阀→翅片式换热器高压过冷液体→单向阀1→储液罐-干燥过滤器→视镜→膨胀阀低温低压液体→单向阀4→蒸发器低温低压气体→四通换向阀→气液分离器→压缩机吸气口。
在冬季机组处于制热状态,制冷剂的流程为:
压缩机排气口高温高压气体→四通换向阀→蒸发器高压过冷液体→单向阀2 →储液罐→干燥过滤器→视镜→膨胀阀低温低压体→单向阀3→翅片式换热器→低温低压气体→四通换向阀→气液分离器→压缩机吸气口。
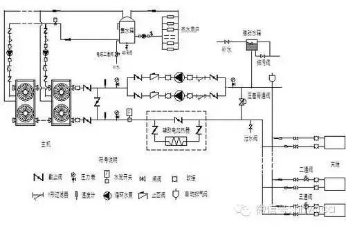
二:机组结构及配置







三、风冷模块冷热水机组适用范围
(一)冷媒
市场销售以R22、R410a、R407C机组为主。
(二)电源
380V / 50 Hz / 3H
(三)冷量范围
15 RT ~ 75 RT(即以61 KW ~ 261 KW),一般情况以15 RT模块为基础组合,在任何厂商相对比较时,15 RT模块性价比也是最好的。
(四)适用环境工况及冷热水进出水温度
1、制冷
(1)环境工况:21 ℃ ~ 43 ℃;
(2)冷媒水进出水温度:12 ~ 7 ℃;
(3)室外环境温度越高制冷效果越差。
2、制热
(1)环境工况 :-15℃(理论上)~ 20℃;
(2)热媒水进出水温度:40 ~ 45℃(一般情况下);
(3)室外环境温度越低,制热效是越差。

四:风冷模块冷热水机组种类与台数选择
(一)种类的选择
(1)单机组名义制冷量小于116 kw的场合,以选用涡旋压缩机为主;
(2)单机容量在116 kw ~ 700 kw的场合,以选用螺杆机为宜;
(3)单机容量在700 kw ~ 1054 kw的场合,以选用螺杆机或离心机为宜;
(4)单机容量在1785kw以上的场合,应选择离心机。
(二)台数的确定
机组台数的多少,应按工程规模的大小、空调负荷的变化而定。
1、从调节灵活、利于节能的角度,台数多些较好;
2、从设备投资、占地面积和维护管理的角度,台数少些较好。
3、一般选2 ~ 8台。
4、对于双压缩机的模块机,最多可以八台并联,即一台主机、七台子机;
5、对于四压缩机的模块机,最多可以四台并联,即一台主机、三台子机。
五:机组设计安装及应用
1、设备选型(估算)
通常根据制冷负荷估算:房间制冷量=单位负荷指标×房间面积

根据计算负荷、进出水温度、环境温度等值查选样本选择能满足条件的机型!(条件需要重点考虑)
2、水系统形式及对比
水系统形式一般有:同程式、异程式、混合式。

同程式连接示意图

异程式连接示意图

混合式连接示意图

3、水泵的选择与水系统配件
所谓水泵的选取计算其实就是估算(很多计算公式本身就是估算的),估算分的细致些考虑的内容全面些就是精确的计算。暖通南社在推送的课件中多次提到。
水泵扬程简易估算法:
Hmax=P1+P2+0.05L(1+K)
P1为冷水机组蒸发器的水压降。
P2为该环中并联的各占空调未端装置的水压损失最大的一台的水压降。
L为该最不利环路的管长。
K为最不利环路中局部阻力当量长度总和和与直管总长的比值,当最不利环路较长时K值取0.2~0.3,最不利环路较短时K值取0.4~0.6。
水流量计算
1、冷却水流量:一般按照产品样本提供数值选取,或按照如下公式进行计算,公式中的Q为制冷主机制冷量:
L(m3/h)=
Q(kW)/(4.5~5)℃x1.163
×(1.15~1.2)
2、冷冻水流量:在没有考虑同时使用率的情况下选定的机组,可根据产品样本提供的数值选用或根据如下公式进行计算。如果考虑了同时使用率,建议用如下公式进行计算。公式中的Q为建筑没有考虑同时使用率情况下的总冷负荷。
L(m3/h)= Q(kW)/(4.5~5)℃×1.163
3、冷却水补水量一般1为冷却水循环水量的1~1.6%。
水系统配件


载冷剂的应用
4、安装方式与安装空间
安装方式及优缺点

安装空间

5、热回收模块水管安装示意图




六:管路安装及接管注意事项
(一)安装方式
1、同程式

2、异程式

(二)安装注意事项
1、机组水系统进出水总管、阀门、过滤器等部件应采用相同规格。机组之间接管间采用减振喉连接;
2、水系统的最高点必须安装放气阀。系统走向不应有过多和过急的弯头;
3、循环水初次运行时,请将机组进出水侧的旁通阀关死,在机组的总管路上安装临时过滤器, 开启水泵, 对水路进行预清洗,直到水路系统的杂质全部清除,确认水系统中没有杂质后机组方可投入使用;
4、进出水温度传感器安装时,需要用盲管插入管路中央,以减小传感器和冷媒水间的热阻;
5、进行组合的模块机组需为相同型号。如并联的模块数量较多,诸模块可分成两排进行布置。请注意:应在电控箱侧应留出操作和检修空间,两排模块之间的间距至少应为0.5 m;
6、机组外部水管需要安装支撑;
7、安装方案:一至两台机组用户可以按照同程或异程安装,三台及三台以上推荐用户按同程安装。





