您好,欢迎来到花生壳b2b外贸网信息发布平台!
登录
注册
18951535724
简体中文
English
商城
公司大全
百科知识
视频
搜索
首页
商城
公司大全
百科知识
视频
IP属地 江苏
首页
>
商城
>
汽配网
>
汽车制动系统
>
ABS泵
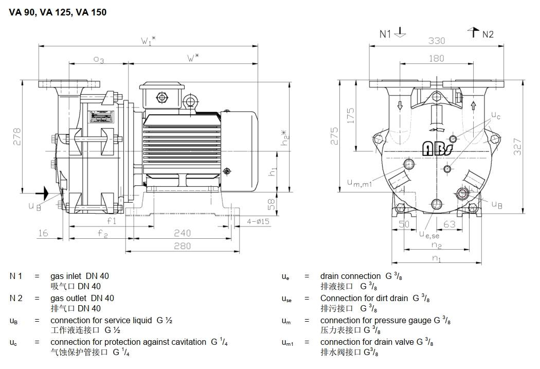
瑞士昂卜真空泵总代理 ABS液环泵VA90-4B-QM-B33 不锈钢316耐腐蚀
价格
¥
196.00
对比
发货
广东深圳市
运费
包邮
销量
暂无
评价
已有
0
条评价
人气
已有
0
人关注
数量
+
-
库存
31
台
联系方式
加关注
0
深圳贝德机械有限公司
企业会员
第1年
资料
未认证
保证金
未缴纳
广东-深圳市
上次登录 03-27 10:48
•
张经理 (先生)
进入主页
更多商品
商品详情
评价详情(0)
点赞
0
举报
收藏
0
分享
0
正在载入评价...