您好,欢迎来到花生壳b2b外贸网信息发布平台!
登录
注册
18951535724
简体中文
English
商城
公司大全
百科知识
视频
搜索
首页
商城
公司大全
百科知识
视频
IP属地 江苏
首页
>
商城
>
化工网
>
原油及制品
>
润滑油
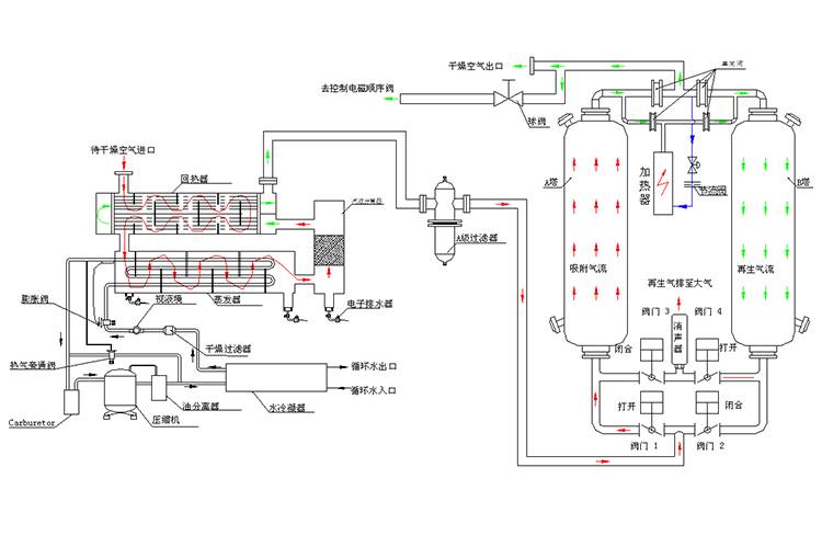
嘉仕成 汉粤压缩空气净化设备器清洁除味 一体化设计使用寿命长
价格
¥
3680.00
对比
发货
湖北武汉市
运费
包邮
销量
暂无
评价
已有
0
条评价
人气
已有
8
人关注
数量
+
-
库存
999
台
联系方式
加关注
0
武汉嘉仕成节能设备有限公司
企业会员
第1年
资料
未认证
保证金
未缴纳
湖北-武汉市
上次登录 03-18 07:10
•
叶志超 (先生)
进入主页
更多商品
商品详情
评价详情(0)
点赞
0
举报
收藏
0
分享
2
正在载入评价...