您好,欢迎来到花生壳b2b外贸网信息发布平台!
登录
注册
18951535724
简体中文
English
商城
公司大全
百科知识
视频
搜索
首页
商城
公司大全
百科知识
视频
IP属地 江苏
首页
>
商城
>
电子网
>
集成电路IC
>
时钟IC
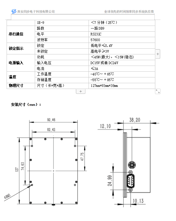
铷频标,gps驯服钟,原子钟,铷原子频率标准,卫星驯服频率标准
价格
¥
10900.00
对比
发货
陕西西安市
运费
包邮
销量
暂无
评价
已有
0
条评价
人气
已有
12
人关注
数量
+
-
库存
100
台
西安同步电子科技有限公司
游客
未注册
资料
未认证
保证金
未缴纳
陕西-西安市
高经理
该发布人未在本站注册,信息真实性无法保证,请谨慎选择,建议优先选择
VIP会员
商品详情
评价详情(0)
点赞
0
举报
收藏
0
分享
3
正在载入评价...