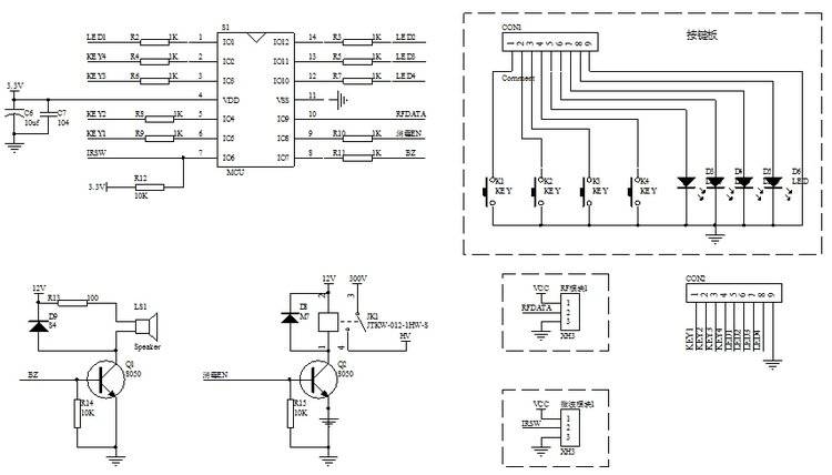
922A-37AD四键触发+遥控+微波感应定时消毒灯芯片
一.功能说明
供电电压:220v
触发按键功能:上电不工作
①(KEY1)开关键:短按开关机,开机默认定时45分钟。上电不工作,短按一下蜂鸣器响10秒钟停止,延时30秒后(相对应指示灯闪40秒,1HZ/秒 蜂鸣器10秒+延时30秒)消毒灯开始工作,45分钟后停止,时间到自动关闭。
②(KEY2)15分钟键:触发按键,蜂鸣器响10秒钟停止,延时30秒后,(相对应指示灯闪40秒,1HZ/秒 蜂鸣器10秒+延时30秒);消毒灯开始工作,15分钟后停止,时间到自动关闭。
③(KEY3)30分钟键:触发按键,蜂鸣器响10秒钟停止,延时30秒后,(相对应指示灯闪40秒,1HZ/秒 蜂鸣器10秒+延时30秒);消毒灯开始工作,30分钟后停止,时间到自动关闭。
④(KEY4)60分钟键:触发按键,蜂鸣器响10秒钟停止,延时30秒后,(相对应指示灯闪40秒,1HZ/秒 蜂鸣器10秒+延时30秒);消毒灯开始工作,60分钟后停止,时间到自动关闭。
无线遥控功能:
①开关键:短按开关机,开机默认定时45分钟。功能和触发按键相同;
②15分钟键:功能和触发按键相同;
③30分钟键:功能和触发按键相同;
④60分钟键:功能和触发按键相同;
人体微波感应功能:
①高低电平信号输出,有人走近输出高电平,消毒灯不工作;人离开后延时输出低电平,延时10-15秒后开始工作。
②在定时过程中,人走近消毒灯停止工作,蜂鸣器响10秒,指示灯闪烁;人离开后延时10-15秒,继续计时(不重新计时)。
二,参考电路图








